Hay muchas maneras diferentes de conseguir que su flujo se actualice en GSMCloud - no estamos hablando de Actualización de Software, sino de que el flujo se actualice con datos.

Hay algunos ejemplos diferentes de esto, uno sería que algo debería suceder si un mensaje SMS llega al dispositivo - otro podría ser si quieres ser notificado si algo está mal cada 30 minutos, pero también recibir un mensaje inmediatamente y no esperar.

¿Por qué deben utilizarse estos métodos ocasionalmente?

Debido a la forma en que los datos se envían a través de nuestro flujo, se puede llegar fácilmente a lo que se denomina "punto muerto". Un ejemplo de esto sería si usted como persona envía 2 SMSs al dispositivo con el mismo número de teléfono, entrará en punto muerto porque el "remitente" no se cambia - por lo tanto los datos no cambian.

Punto muerto puede ocurrir de muchas maneras diferentes y puede ser realmente molesto. Una de las cosas que hay que tener en cuenta en algunos casos.

Métodos de bloqueo Ejemplo 1

¿Cuándo debo utilizar qué tipo de sistema de actualización?

Hay diferentes opciones dependiendo del UseCase que tengas. Si estás usando el nodo Recibir SMS - te recomendamos usar su Timestamp como actualización.

Método de actualización Recibir SMS

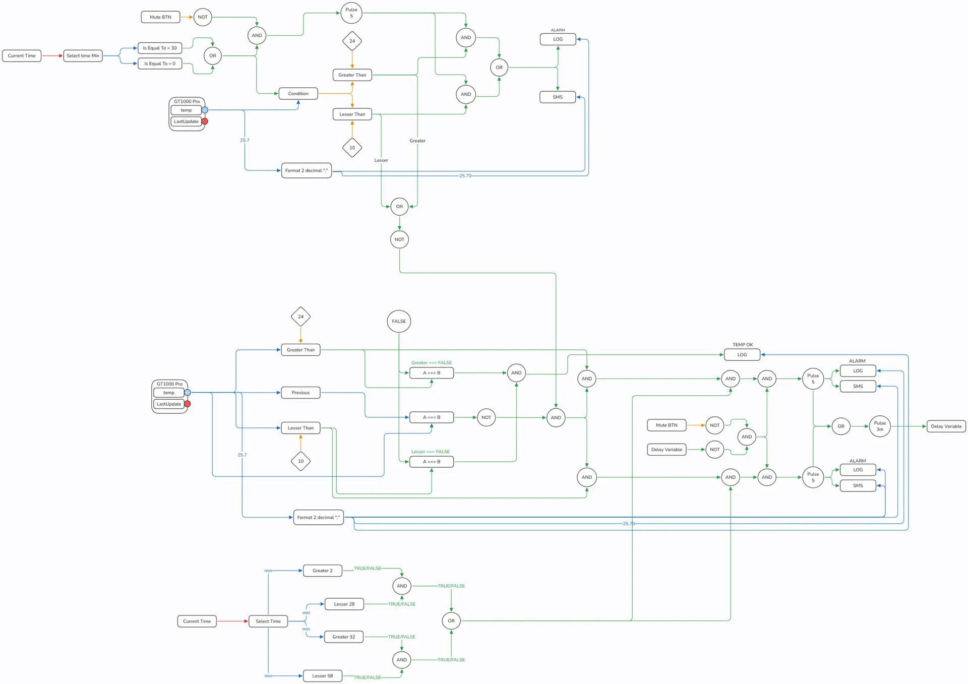
Por otro lado, si quieres actualizaciones cada 30 minutos si algo va mal y sigue yendo mal, la cosa se complica un poco más. Para ello habría que interconectar dos sistemas. Uno sería un sistema que envíe actualizaciones cada 30 minutos - así 00:00 -> 00:30 -> 01:00... Y otro que te notifique inmediatamente. Mucha gente se dará cuenta de que se topa con un muro en el que recibe notificaciones constantemente porque no está conectada.

Este sería nuestro comienzo para esta solución. Un sistema muy básico para comprobar cada 30min que entra en una "Puerta OR".

Sistema basado en el tiempo con condiciones parte 1

A continuación, puede crear su lógica y enviar su salida a nuestra siguiente parte.

Ahora que tenemos el concepto y la lógica de la primera parte, necesitamos conectarlo al sistema instantáneo. A continuación, tenemos que crear algún tipo de sistema "AND Gate" que pueda decidir si cerrar nuestra actualización instantánea o dejarla abierta.

Así que necesitamos un sistema que compruebe si A es mayor o menor que B - si uno de ellos es correcto envía TRUE a su propia "compuerta AND" - entonces necesitamos una compuerta AND y pasamos a la parte de notificación.

Otros métodos de actualización

Por supuesto, hay otros métodos que puedes utilizar para refrescar tu flujo. Pero debes recordar siempre que es posible llegar a un punto muerto y debes tenerlo en cuenta.

Ejemplos de diagramas de flujo terminados

Sistema de control SMS con gestión de actualizaciones

Sistema basado en el tiempo con retrasos y tratamiento de mensajes frecuentes.

Los dibujos se realizan con Exalidraw